一、F343X手動盲板閥產品特點
沃茈閥門(上海)有限公司生產銷售的F343X手動盲板閥又名手動眼鏡閥、翻板閥、扇形閥,為長結構系列,在右閥體上設有伸縮器,用于較長管路中(注:不能作為管路的補償器),可以補償閥門啟閉過程中產生的閥體軸向位移,減小閥門的啟閉力矩。根據大口徑閥門的特點,閥體設計成三角形結構,加強了閥門的整體剛性。橡膠密封圈分別安裝在左、右閥體上。
二、F343X手動盲板閥主要性能指標
| 公稱壓力mpa | 0.25 | 0.15 | 0.10 | 0.05 |
| 密封試驗壓力mpa | 0.275 | 0.165 | 0.11 | 0.055 |
| 強度試驗壓力mpa | 0.40 | 0.225 | 0.15 | 0.075 |
| 適用溫度℃ | 丁腈橡膠 | 硅橡膠 | 氟橡膠 | |
| <120 | <250 | <300 | ||
| 適用介質 | 煤氣等有毒、有害、易燃氣體 | |||
| 采用標準 | 連接法蘭尺寸符合jb/t81-94標準,檢測方法符合gb/t13927-92標準 | |||
| 主要零部件材料 | 閥體、閘板為碳鋼;連接軸、伸縮器為碳鋼或不銹鋼;密封圈為橡膠 | |||
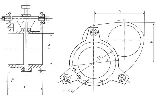
三、F343X手動盲板閥主要連接尺寸:

| dn | d | d1 | b | n-φd | l |
| 300 | 440 | 395 | 22 | 12-φ22 | 500 |
| 350 | 490 | 445 | 22 | 12-φ22 | 500 |
| 400 | 540 | 495 | 22 | 16-φ22 | 600 |
| 450 | 595 | 550 | 24 | 16-φ22 | 600 |
| 500 | 645 | 600 | 24 | 16-φ22 | 600 |
| 600 | 755 | 705 | 24 | 20-φ26 | 600 |
| 700 | 860 | 810 | 26 | 24-φ26 | 800 |
| 800 | 975 | 920 | 26 | 24-φ30 | 800 |
| 900 | 1075 | 1020 | 28 | 24-φ30 | 800 |
| 1000 | 1175 | 1120 | 30 | 28-φ30 | 800 |
| 1100 | 1275 | 1220 | 30 | 28-φ30 | 800 |
| 1200 | 1375 | 1320 | 30 | 32-φ30 | 800 |
| 1300 | 1475 | 1420 | 32 | 32-φ30 | 800 |
| 1400 | 1575 | 1520 | 32 | 36-φ30 | 850 |
| 1500 | 1675 | 1620 | 32 | 36-φ30 | 850 |
| 1600 | 1790 | 1730 | 32 | 40-φ30 | 850 |
| 1800 | 1990 | 1930 | 32 | 44-φ30 | 1100 |
| 2000 | 2190 | 2130 | 32 | 46-φ30 | 1100 |